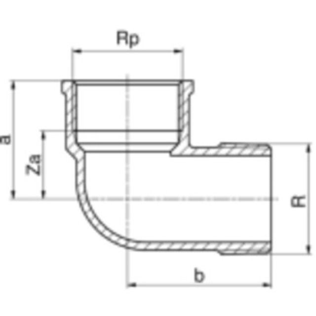
gomito 90° in bronzo
8092
3/8"
bronzo al silicio

La preghiamo di accedere per visualizzare il prezzo.
Articolo n127817Numero articolo del produttore768092003Numero NPK9003030
1 PZ = 0.075 kg

Descrizione del

- bronzo al silicio

Capitolati

Produttore
GF
R
3/8 "
Rp
3/8 "