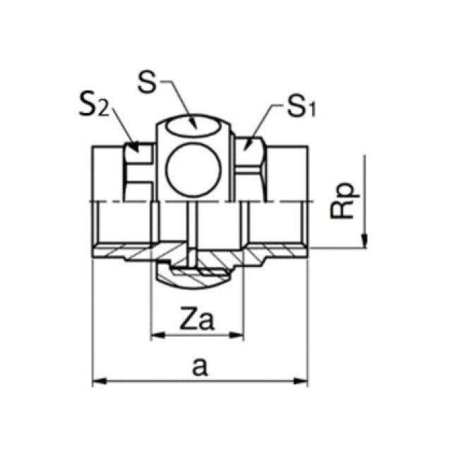
vite fissaggio piana bronzo
8330
1/2"
ottone / bronzo al silicio

La preghiamo di accedere per visualizzare il prezzo.
Articolo n127931Numero articolo del produttore768330004Numero NPK215112
1 PZ = 0.15 kg

Descrizione del

- terminali piatti

- Inserto e parte avvitabile in bronzo al silicio

- Dado di raccordo in ottone, guarnizione inclusa

Capitolati

Produttore
GF
Rp
1/2 "