MPF-S curva per rubinetti
flangia e distanziale 33423
d 1/2" - 15"
La preghiamo di accedere per visualizzare il prezzo.
Disp. per il ritiro a Bioggio: 0 PZ
Articolo n128990Numero articolo del produttore33423Numero NPK263.122
1 PZ = 0.01 kg
Descrizione del
Proprietà
• Indicatore ottico di pressatura
• Perdita compromessa, se non pressato
• Due punti di fissaggio
• Guarnizione O-ring in CIIR nero
• Attacco a pressare con tappo di protezione trasparente
Dati tecnici
Materiale Acciaio CrNiMo 1.4401 (EN 10088)
• Indicatore ottico di pressatura
• Perdita compromessa, se non pressato
• Due punti di fissaggio
• Guarnizione O-ring in CIIR nero
• Attacco a pressare con tappo di protezione trasparente
Dati tecnici
Materiale Acciaio CrNiMo 1.4401 (EN 10088)
Capitolati
- Produttore
- Geberit
- Sistema
- Mapress
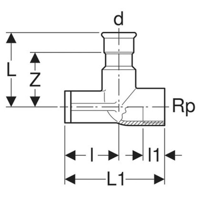
- dØ
- 15 mm
- L
- 5 cm
- l
- 3,5 cm
- l1
- 1,5 cm
- L1
- 6,5 cm
- Rp
- 1/2 "
- Curva
- 90° cm
- Z
- 3 cm