MPF-G Tee
filetto femmina 34268
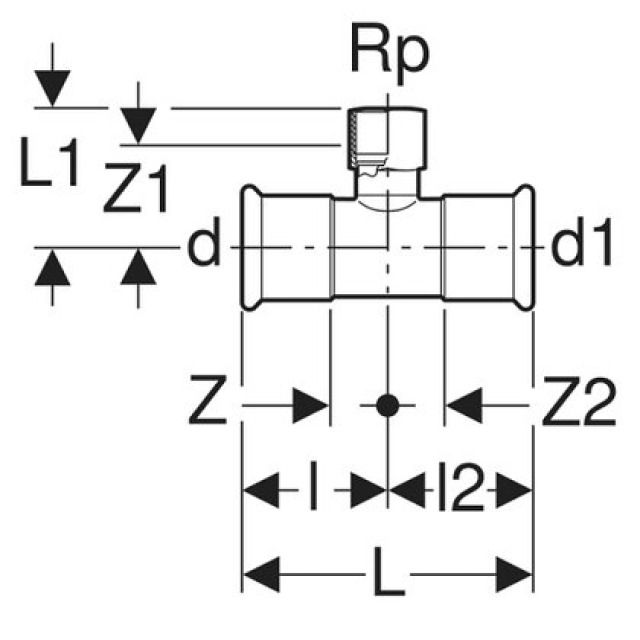
d 89 - 3/4" - 89"
La preghiamo di accedere per visualizzare il prezzo.
Disp. per il ritiro a Bioggio: 0 PZ
Articolo n129365Numero articolo del produttore34268Numero NPK264.172
1 PZ = 1.32 kg
Descrizione del
Proprietà
• Indicatore ottico di pressatura
• Perdita compromessa, se non pressato
• Contrassegnato in giallo
• Guarnizione O-ring in HNBR giallo
• Attacco a pressare con tappo di protezione giallo
Dati tecnici
Materiale Acciaio CrNiMo 1.4401 (EN 10088)
• Indicatore ottico di pressatura
• Perdita compromessa, se non pressato
• Contrassegnato in giallo
• Guarnizione O-ring in HNBR giallo
• Attacco a pressare con tappo di protezione giallo
Dati tecnici
Materiale Acciaio CrNiMo 1.4401 (EN 10088)
Capitolati
- Produttore
- Geberit
- Sistema
- Mapress
- DN
- 80-20
- dØ
- 88.9 mm
- L
- 26 cm
- l
- 13 cm
- L1
- 8.8 cm
- Rp
- 3/4 "
- d1Ø
- 88.9 mm
- l2
- 13 cm
- Z
- 7 cm
- Z1
- 7.3 cm
- Z2
- 7 cm