GEBERIT curva 90° raggio corto
PE 366.876
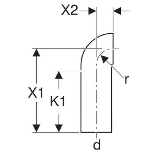
d 90

La preghiamo di accedere per visualizzare il prezzo.
Articolo n138062Numero articolo del produttore366.876.16.1Numero NPK313.278
1 PZ = 0.307 kg

Capitolati

Produttore
Geberit
Sistema
PE
90 mm
X1
27 cm
X2
5 cm
K1
20 cm
r
5 cm