GEBERIT braga 45°PE
365.109
d 75 - 40

La preghiamo di accedere per visualizzare il prezzo.
Articolo n138095Numero articolo del produttore365.109.16.1Numero NPK314.137
1 PZ = 0.1 kg

Capitolati

Produttore
Geberit
Sistema
PE
75 mm
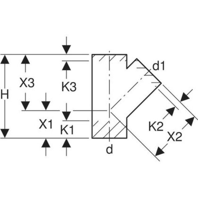
H
21 cm
X1
7 cm
X2
14 cm
X3
14 cm
d1Ø
40 mm
K1
6,5 cm
K2
5 cm
K3
6 cm