GEBERIT colletto di fissaggio
366.772
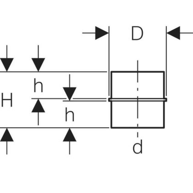
d 90

La preghiamo di accedere per visualizzare il prezzo.
Articolo n138281Numero articolo del produttore366.772.16.1Numero NPK342.518
1 PZ = 0.113 kg

Capitolati

Produttore
Geberit
Sistema
PE
90 mm
D
10,3 cm
H
9,2 cm
h
4,4 cm