GEBERIT manicotto prolungato
per vaso WC sospeso 366.887
d 90 - 90
La preghiamo di accedere per visualizzare il prezzo.
Disp. per il ritiro a Bioggio: 0 PZ
Articolo n138357Numero articolo del produttore366.887.16.1Numero NPK331.437
1 PZ = 1 kg
Descrizione del
Uso previsto
• Per l‘allacciamento di apparecchi sanitari con scarico orizzontale
• Per elementi per WC sospeso Geberit Duofix, Geberit GIS e Geberit Combifix
• Per moduli Geberit Sanbloc per WC sospeso
Proprietà
• Con guarnizione in EPDM
Materiale in dotazione
• Tappo di protezione
• Per l‘allacciamento di apparecchi sanitari con scarico orizzontale
• Per elementi per WC sospeso Geberit Duofix, Geberit GIS e Geberit Combifix
• Per moduli Geberit Sanbloc per WC sospeso
Proprietà
• Con guarnizione in EPDM
Materiale in dotazione
• Tappo di protezione
Capitolati
- Produttore
- Geberit
- Sistema
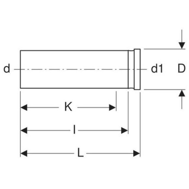
- PE
- dØ
- 90 mm
- D
- 11,2 cm
- L
- 31 cm
- l
- 27,5 cm
- d1Ø
- 90 mm
- K
- 24 cm