GEBERIT curva a segmenti 90°
371.055
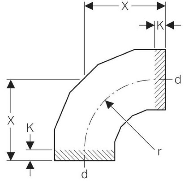
d 250

La preghiamo di accedere per visualizzare il prezzo.
Articolo n138516Numero articolo del produttore371.055.16.1Numero NPK313.145
1 PZ = 3.46 kg

Capitolati

Produttore
Geberit
Sistema
PE
250 mm
X
33,5 cm
K
3 cm
r
29 cm