GEBERIT SILENT braga 180°
doppia 310.102 d 110

La preghiamo di accedere per visualizzare il prezzo.
Articolo n138855Numero articolo del produttore310.102.14.1Numero NPK324.716
1 PZ = 1.5 kg

Descrizione del

Uso previsto
• Per l‘installazione verticale
Proprietà
• Con raggio interno

Capitolati

Produttore
Geberit
Sistema
Silent
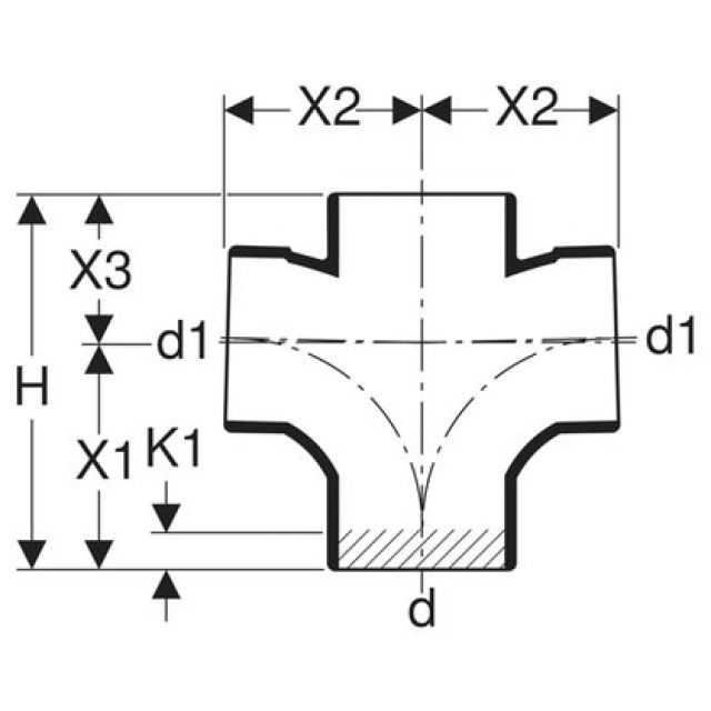
110 mm
d1
110 mm
H
22,5 cm
X1
13,5 cm
X2
11,5 cm
X3
9 cm
K1
2,5 cm