GEBERIT SILENT braga
allacc. paralleli 308.081
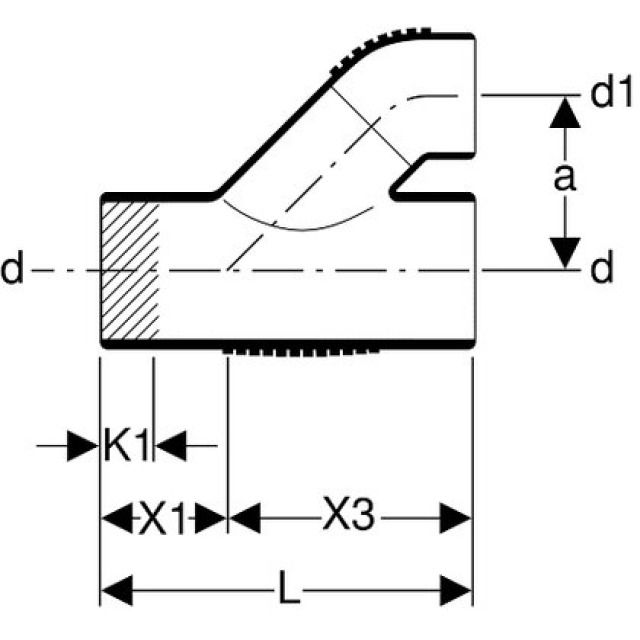
d 90 - 90

La preghiamo di accedere per visualizzare il prezzo.
Articolo n138860Numero articolo del produttore308.081.14.1Numero NPK324.615
1 PZ = 0.8 kg

Descrizione del

Proprietà
• Raccordo saldato

Capitolati

Produttore
Geberit
Sistema
Silent
90 mm
d1
90 mm
L
24 cm
X1
8 cm
X3
16 cm
a
11 cm
K1
2,5 cm