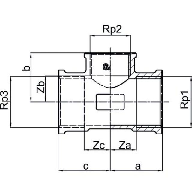
tee ridotto in bronzo
8130
3/4 - 1/2 - 1/2"
bronzo al silicio

La preghiamo di accedere per visualizzare il prezzo.
Articolo n145358Numero articolo del produttore768130017Numero NPK9012250
1 PZ = 0.152 kg

Descrizione del

- bronzo al silicio

Capitolati

Produttore
GF
Rp1
3/4 "
Rp2
1/2 "
Rp3
1/2 "