GEBERIT pezzo ermetico
SARNAFIL PVC 361.674
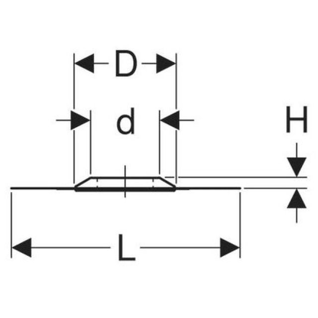
d 50
La preghiamo di accedere per visualizzare il prezzo.
Disp. per il ritiro a Bioggio: 0 PZ
Articolo n172208Numero articolo del produttore361.674.00.1Numero NPK315.234
1 PZ = 0.52 kg
Descrizione del
Uso previsto
• Per l‘impermeabilizzazione di passaggi di tubi in pareti, soffitti e pavimenti
• Per Geberit PE
• Per Geberit Silent-db20
• Per Geberit Silent-Pro
• Per la saldatura con foglio in PVC
• Per collegamenti da incollare e da saldare
• Per livelli dell‘acqua fino a 1 m
• Per la protezione dall‘umidità
Proprietà
• Con guarnizione in EPDM
• Per l‘impermeabilizzazione di passaggi di tubi in pareti, soffitti e pavimenti
• Per Geberit PE
• Per Geberit Silent-db20
• Per Geberit Silent-Pro
• Per la saldatura con foglio in PVC
• Per collegamenti da incollare e da saldare
• Per livelli dell‘acqua fino a 1 m
• Per la protezione dall‘umidità
Proprietà
• Con guarnizione in EPDM
Capitolati
- Produttore
- Geberit
- Sistema
- PE
- dØ
- 50 mm
- D
- 13,5 cm
- H
- 2,5 cm
- L
- 48 cm