VR collare unione snz an.rinf.
116 814 160 X 152 MM G/ST
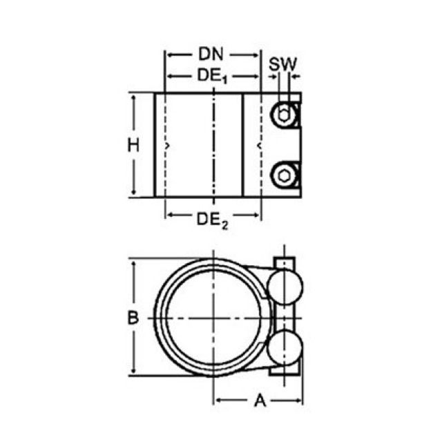
160 x 152 mm ghisa/acciaio
La preghiamo di accedere per visualizzare il prezzo.
Disp. per il ritiro a Bioggio: 0 PZ
Articolo n172885Numero articolo del produttore116814
1 PZ = 1.4 kg
Descrizione del
Connessione di tubi e raccordi, fusioni / materiali diversi. Giacca a briglia in acciaio inox. Il manicotto di tenuta viene utilizzato per compensare le differenze di diametro esterno del tubo. Assorbe o isola eventuali urti e/o vibrazioni. A metà altezza è presente un anello di arresto di 4 mm di spessore. Ciò significa che non è necessario marcare la profondità di inserimento su entrambe le estremità del tubo. L'anello di arresto serve anche per l'isolamento acustico e impedisce la trasmissione del rumore strutturale.
- Connessione di tubi e raccordi, fusioni / materiali diversi.
- Involucro della briglia in acciaio inossidabile.
- Colata su acciaio senza anello di supporto.
- Campo di applicazione fino a 80°C
Capitolati
- Produttore
- VonRoll
- DN
- 150
- H
- 90 mm
- A
- 104 mm
- B
- 175 mm
- DE1
- 160 mm
- DE2
- 152 mm
- SW
- 6 mm