GEBERIT braga sferica 90°
multipla 3 allacc. 364.605
d 63 - 63

La preghiamo di accedere per visualizzare il prezzo.
Articolo n173006Numero articolo del produttore364.605.16.1Numero NPK314.716
1 PZ = 0.22 kg

Capitolati

Produttore
Geberit
Sistema
PE
63 mm
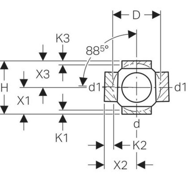
D
10 cm
H
16 cm
X1
8 cm
X2
10 cm
X3
8 cm
d1Ø
63 mm
K1
1,5 cm
K2
4,5 cm
K3
1,5 cm