GEBERIT braga sferica 90°
multipla 4 allacc. 365.610
d 75 - 75

La preghiamo di accedere per visualizzare il prezzo.
Articolo n173015Numero articolo del produttore365.610.16.1Numero NPK314.817
1 PZ = 0.26 kg

Capitolati

Produttore
Geberit
Sistema
PE
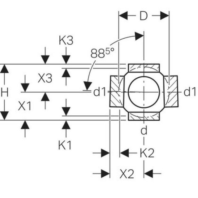
75 mm
D
12 cm
H
16 cm
X1
8 cm
X2
10 cm
X3
8 cm
d1Ø
75 mm
K1
1,5 cm
K2
3,5 cm
K3
1,5 cm