piastra parete vite
1/2

La preghiamo di accedere per visualizzare il prezzo.
Articolo n191240Numero articolo del produttore1015559
1 PZ = 0.174 kg
1 PAC = 10 PZ

Descrizione del

- in ottone stagnato
- per il montaggio a superficie e a filo. Adatto per gli accessori di montaggio SPAETER 242077
- Filettatura maschio secondo DIN EN ISO 228-1

Capitolati

Produttore
Uponor
Tipo
1/2"MT-1/2"FT
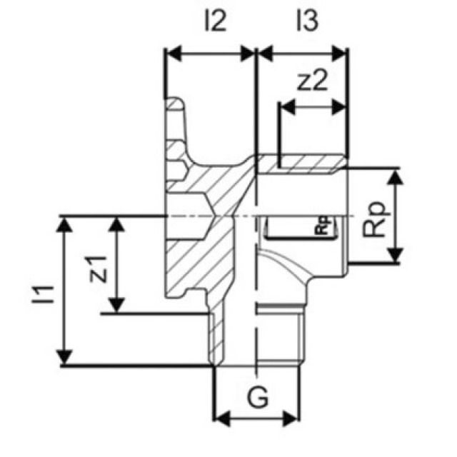
l1
33 mm
l2
20 mm
l3
20 mm
z1
22 mm
z2
5 mm