Collare acciaio inox
36146 PN 10/16 76 MM
con terminale maschio
La preghiamo di accedere per visualizzare il prezzo.
Disp. per il ritiro a Bioggio: 0 PZ
Articolo n292147Numero articolo del produttore36146
1 PZ = 1.26 kg
Descrizione del
Proprietà
• Privo di sostanze dannose per la vernice
• Adatto per flangia sciolta secondo EN 1092-1, flangia tipo 02
Dati tecnici
Materiale Acciaio CrNiMo 1.4401 (EN 10088)
• Privo di sostanze dannose per la vernice
• Adatto per flangia sciolta secondo EN 1092-1, flangia tipo 02
Dati tecnici
Materiale Acciaio CrNiMo 1.4401 (EN 10088)
Capitolati
- Produttore
- Geberit
- Sistema
- Mapress
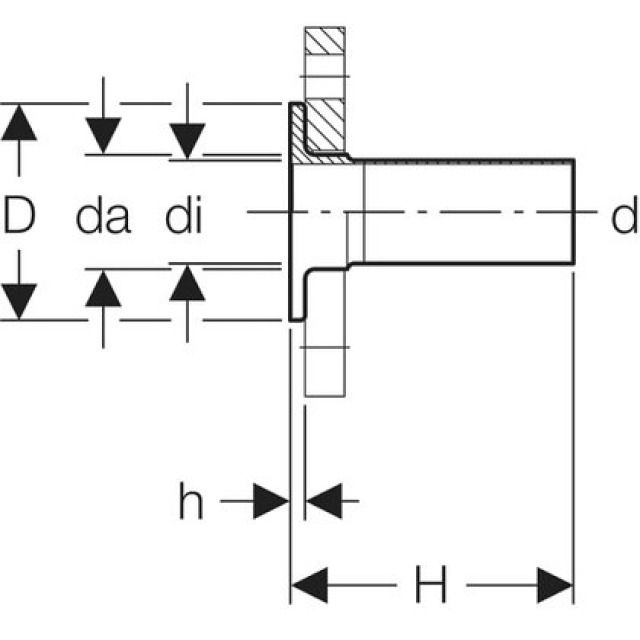
- DN
- 65
- PN
- 10/16 bar
- dØ
- 76.1 mm
- D
- 12.2 cm
- H
- 13.5 cm
- Ø est.
- 78 mm
- diØ
- 72.1 mm
- h
- 0.8 cm