FRIALEN T-STUECK TA
615721 50 MM
40 mm
La preghiamo di accedere per visualizzare il prezzo.
Disp. per il ritiro a Bioggio: 0 PZ
Articolo n303591Numero articolo del produttore615721
1 PZ = 0.36 kg
Descrizione del
Passaggio rettilineo con serpentine di riscaldamento a vista per un trasferimento termico ottimale, grandi profondità di inserimento, ampie zone di saldatura e zone fredde alle estremità e al centro per evitare il flusso di fusione per la lavorazione senza dispositivi di tenuta. Lunghezza del raccordo di uscita dimensionato per 2 saldature
PE 100, SDR11
PE 100, SDR11
Capitolati
- Produttore
- Aliaxis
- Sistema
- Frialen
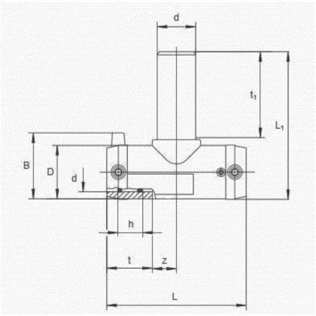
- D
- 67 mm
- d
- 50/50 mm
- L
- 175 mm
- L1
- 186 mm