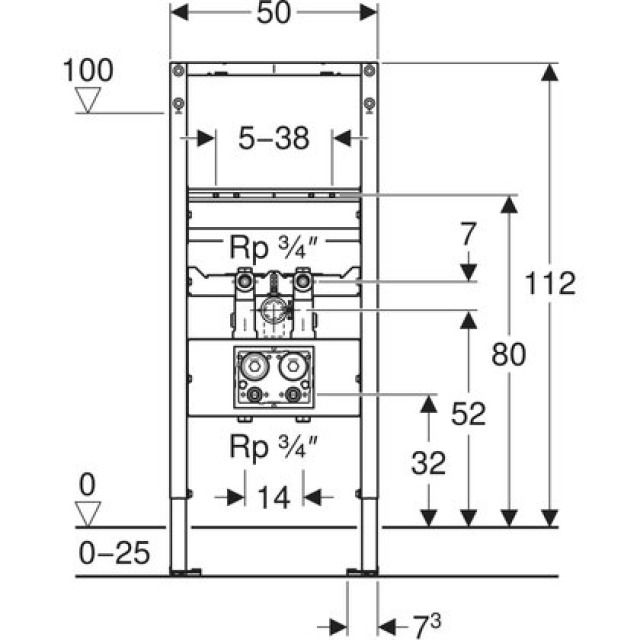
Geberit Duofix Element WT 112
Standarmatur mit zwei
Wasserzählerstrecken kompakt
UP-Absperrventil JRG LegioStop
mit zwei Anschluss-T-Stücken
La preghiamo di accedere per visualizzare il prezzo.
Disp. per il ritiro a Bioggio: 0 PZ
Articolo n333295Numero articolo del produttore111.582.00.3
1 PZ = 16.5 kg
Descrizione del
DESTINAZIONI D'USO
• Per pareti di sistema Geberit Duofix
• Per pareti a montanti in metallo e in legno
• Per l’installazione in pareti applicate ad altezza parziale o locale
• Per l’installazione in pareti di separazione ad altezza locale
• Per altezze della pavimentazione 0–25 cm
• Per il montaggio di lavabi
• Per rubinetti monoforo
• Per l'installazione di capsule di misurazione con filetto KOAX G2"
PROPRIETÀ
• Serie 2025
• Telaio staticamente autoportante, protetto dalla corrosione con verniciatura a polvere
• Con piastra estraibile per fissaggio laterale sopra l'elemento su profili in metallo o legno o su montanti ad altezza locale Geberit Duofix
• Posizione di fissaggio alternativa per gli ancoraggi a parete
• Le piastre di base possono essere montate nel binario del sistema Geberit Duofix senza attrezzi e senza componenti aggiuntivi
• Piastre di base orientabili, adatte per l'installazione nei profili a U UW 50 e UW 75
• Supporti a terra zincati e protetti dalla corrosione, antiscivolo
• Distanza dei fissaggi lavabo 5–38 cm
• Regolabile in profondità con astine filettate con tassello e distanza di fissaggio di 18 o 28 cm
• Fissaggio per curva di allacciamento regolabile in altezza e isolato contro il rumore
• Traversa di fissaggio rubinetto regolabile in altezza
• Guida degli allacciamenti idrici per contatore dell'acqua compatti
• Capsule di misurazione e rubinetti d'arresto copribili
• Allacciamenti idrici per contatore dell'acqua installati in modo isolato contro il rumore
• Con allacciamento idrico per contatore dell'acqua in bronzo rosso, Rp 3/4"
• Con raccordo a T Rp 1/2"
• Con raccordo a T 90° Rp 3/4"
• Con valvola d'intercettazione R 3/4"
• Elemento superiore sostituibile
• Isolamento in EPP
• Tappo di protezione per prova pressione unica con acqua fredda fino a un massimo di 15 bar / 1500 kPa
DATI TECNICI
Materiale Acciaio
MATERIALE IN DOTAZIONE
• Materiale di fissaggio
• Per pareti di sistema Geberit Duofix
• Per pareti a montanti in metallo e in legno
• Per l’installazione in pareti applicate ad altezza parziale o locale
• Per l’installazione in pareti di separazione ad altezza locale
• Per altezze della pavimentazione 0–25 cm
• Per il montaggio di lavabi
• Per rubinetti monoforo
• Per l'installazione di capsule di misurazione con filetto KOAX G2"
PROPRIETÀ
• Serie 2025
• Telaio staticamente autoportante, protetto dalla corrosione con verniciatura a polvere
• Con piastra estraibile per fissaggio laterale sopra l'elemento su profili in metallo o legno o su montanti ad altezza locale Geberit Duofix
• Posizione di fissaggio alternativa per gli ancoraggi a parete
• Le piastre di base possono essere montate nel binario del sistema Geberit Duofix senza attrezzi e senza componenti aggiuntivi
• Piastre di base orientabili, adatte per l'installazione nei profili a U UW 50 e UW 75
• Supporti a terra zincati e protetti dalla corrosione, antiscivolo
• Distanza dei fissaggi lavabo 5–38 cm
• Regolabile in profondità con astine filettate con tassello e distanza di fissaggio di 18 o 28 cm
• Fissaggio per curva di allacciamento regolabile in altezza e isolato contro il rumore
• Traversa di fissaggio rubinetto regolabile in altezza
• Guida degli allacciamenti idrici per contatore dell'acqua compatti
• Capsule di misurazione e rubinetti d'arresto copribili
• Allacciamenti idrici per contatore dell'acqua installati in modo isolato contro il rumore
• Con allacciamento idrico per contatore dell'acqua in bronzo rosso, Rp 3/4"
• Con raccordo a T Rp 1/2"
• Con raccordo a T 90° Rp 3/4"
• Con valvola d'intercettazione R 3/4"
• Elemento superiore sostituibile
• Isolamento in EPP
• Tappo di protezione per prova pressione unica con acqua fredda fino a un massimo di 15 bar / 1500 kPa
DATI TECNICI
Materiale Acciaio
MATERIALE IN DOTAZIONE
• Materiale di fissaggio
Capitolati
- Produttore
- Geberit
- Sistema
- Duofix
- Larghezza
- 500 mm
- Altezza
- 1120 mm
- Profondità
- 140 mm