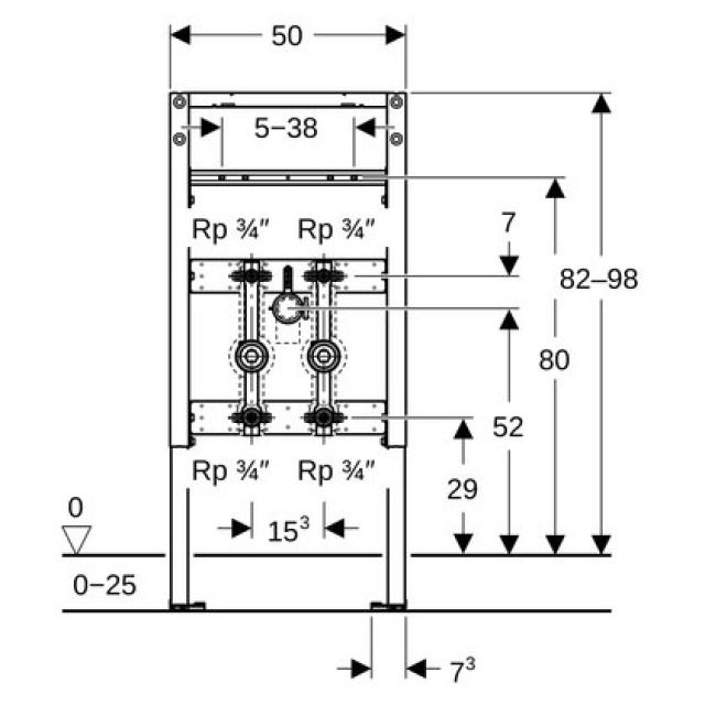
DUOFIX elemento per lavabo
111.573 JRG rub.monof. 2 WZ
tipo 82-98
LegioStop Schallschutz, Ablauf RS
Höhe 82-89cm, Breite 50cm
La preghiamo di accedere per visualizzare il prezzo.
Disp. per il ritiro a Bioggio: 0 PZ
Articolo n333704Numero articolo del produttore111.573.00.2
1 PZ = 16.5 kg
Descrizione del
DESTINAZIONI D'USO
• Per pareti di sistema Geberit Duofix
• Per pareti a montanti in metallo e in legno
• Per l’installazione in pareti applicate ad altezza parziale
• Per altezze della pavimentazione 0–25 cm
• Per il montaggio di lavabi
• Per rubinetti monoforo
• Per l'installazione di capsule di misurazione con filetto KOAX G 2"
PROPRIETÀ
• Serie 2025
• Telaio staticamente autoportante, protetto dalla corrosione con verniciatura a polvere
• Posizione di fissaggio alternativa per gli ancoraggi a parete
• Le piastre di base possono essere montate nel binario del sistema Geberit Duofix senza attrezzi e senza componenti aggiuntivi
• Piastre di base orientabili, adatte per l'installazione nei profili a U UW 50 e UW 75
• Supporti a terra zincati e protetti dalla corrosione, antiscivolo
• Distanza dei fissaggi lavabo 5–38 cm
• Regolabile in profondità con astine filettate con tassello e distanza di fissaggio di 18 o 28 cm
• Fissaggio per curva di allacciamento regolabile in altezza e isolato contro il rumore
• Traversa rubinetto regolabile in altezza e profondità
• Allacciamenti idrici per contatore dell'acqua installati in modo isolato contro il rumore
• Con allacciamento idrico per contatore dell'acqua in bronzo rosso, Rp 3/4"
• Con raccordo a T Rp 1/2"
• Con valvola d'intercettazione R 3/4"
• Elemento superiore sostituibile
• Isolamento in EPP
• Tappo di protezione per prova pressione unica con acqua fredda fino a un massimo di 15 bar / 1500 kPa
MATERIALE IN DOTAZIONE
• 2 rosoni di azionamento
• Marcature a colore (rosso, blu)
• Materiale di fissaggio
• Per pareti di sistema Geberit Duofix
• Per pareti a montanti in metallo e in legno
• Per l’installazione in pareti applicate ad altezza parziale
• Per altezze della pavimentazione 0–25 cm
• Per il montaggio di lavabi
• Per rubinetti monoforo
• Per l'installazione di capsule di misurazione con filetto KOAX G 2"
PROPRIETÀ
• Serie 2025
• Telaio staticamente autoportante, protetto dalla corrosione con verniciatura a polvere
• Posizione di fissaggio alternativa per gli ancoraggi a parete
• Le piastre di base possono essere montate nel binario del sistema Geberit Duofix senza attrezzi e senza componenti aggiuntivi
• Piastre di base orientabili, adatte per l'installazione nei profili a U UW 50 e UW 75
• Supporti a terra zincati e protetti dalla corrosione, antiscivolo
• Distanza dei fissaggi lavabo 5–38 cm
• Regolabile in profondità con astine filettate con tassello e distanza di fissaggio di 18 o 28 cm
• Fissaggio per curva di allacciamento regolabile in altezza e isolato contro il rumore
• Traversa rubinetto regolabile in altezza e profondità
• Allacciamenti idrici per contatore dell'acqua installati in modo isolato contro il rumore
• Con allacciamento idrico per contatore dell'acqua in bronzo rosso, Rp 3/4"
• Con raccordo a T Rp 1/2"
• Con valvola d'intercettazione R 3/4"
• Elemento superiore sostituibile
• Isolamento in EPP
• Tappo di protezione per prova pressione unica con acqua fredda fino a un massimo di 15 bar / 1500 kPa
MATERIALE IN DOTAZIONE
• 2 rosoni di azionamento
• Marcature a colore (rosso, blu)
• Materiale di fissaggio
Capitolati
- Produttore
- Geberit
- Sistema
- Duofix
- Larghezza
- 50 cm
- Altezza
- 82-98 cm
- Profondità
- 7.5 cm