Geberit Mapress Therm Flansch PN6,
mit Pressmuffe: d=76.1mm,
DN=65
La preghiamo di accedere per visualizzare il prezzo.
Disp. per il ritiro a Bioggio: 0 PZ
Articolo n334339Numero articolo del produttore43749
1 PZ = 2.313 kg
Descrizione del
Applicazioni previste:
- Per acqua di raffreddamento e di riscaldamento senza antigelo
- Per acqua di raffreddamento e di riscaldamento con antigelo
- Per acqua di teleriscaldamento ≤ 120 °C
- Per aria compressa (classe di purezza dell'olio 0-3)
- Per pressione negativa
- Per gas inerti (ad es. azoto) - Per applicazioni domestiche e industriali Proprietà
Per applicazioni domestiche e industriali
Proprietà:
- Non consentito per impianti di acqua potabile
- Indicatore di pressione
- Perdite senza pressione
- Anello di tenuta in CIIR nero
Materiale: Acciaio inox
- Per acqua di raffreddamento e di riscaldamento senza antigelo
- Per acqua di raffreddamento e di riscaldamento con antigelo
- Per acqua di teleriscaldamento ≤ 120 °C
- Per aria compressa (classe di purezza dell'olio 0-3)
- Per pressione negativa
- Per gas inerti (ad es. azoto) - Per applicazioni domestiche e industriali Proprietà
Per applicazioni domestiche e industriali
Proprietà:
- Non consentito per impianti di acqua potabile
- Indicatore di pressione
- Perdite senza pressione
- Anello di tenuta in CIIR nero
Materiale: Acciaio inox
Capitolati
- Produttore
- Geberit
- Sistema
- Mapress
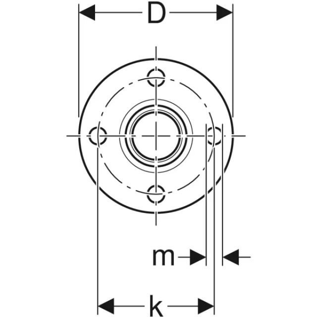
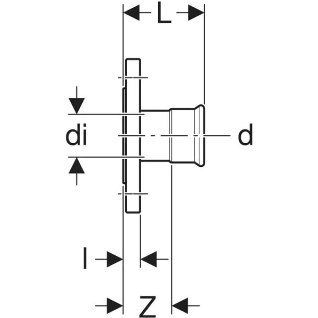
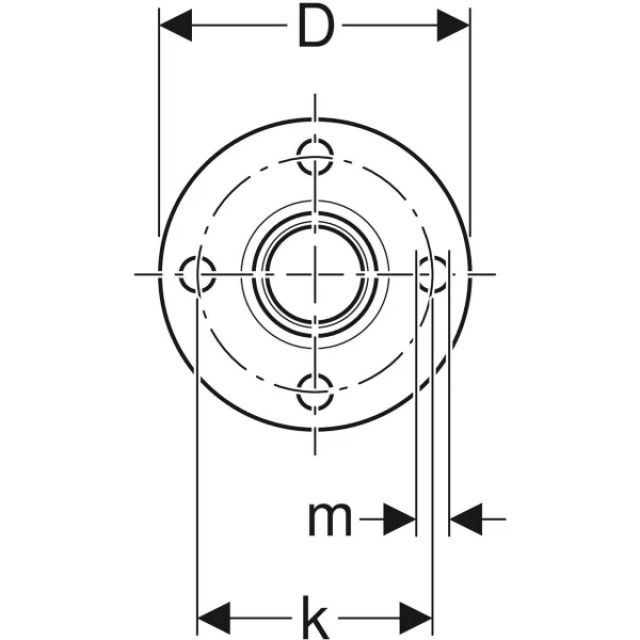
- dØ
- 76.1 mm
- D
- 16 cm
- L
- 11.4 cm
- Z
- 6.1 cm
- diØ
- 72 mm
- k
- 130 mm
- m
- 14 mm
- l
- 1.4 cm