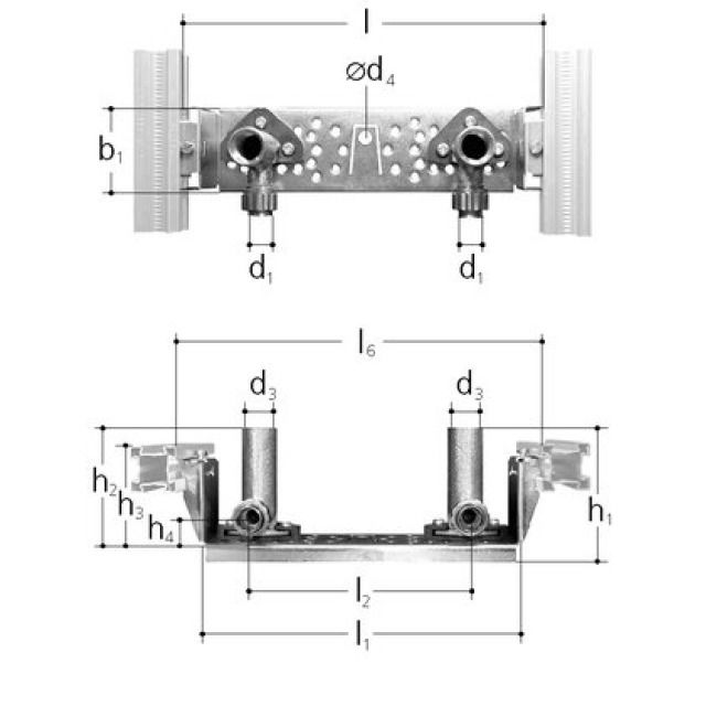
5458, JRG Sanipex, Placca d'allacciamento per profilo GIS

• Materiale: acciaio, zincato, bronzo, ottone, gomma
Produttore GF JRG Sistema Sanipex
2 da 2
d1