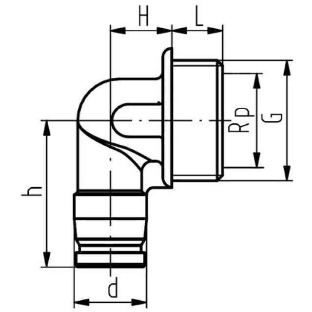
127736762101262 16 20 Dim. 1 16 mm Dim. 2 20 mm Articolo n127736Numero articolo del produttore762101262     Lordo CHF