Geberit Mapress Super Size Pezzo a T acciaio inox con filetto femmina

Proprietà
• Indicatore ottico di pressatura
• Perdita compromessa, se non pressato
• Guarnizione O-ring in CIIR nero
• Attacco a pressare con tappo di protezione trasparente
Dati tecnici
Materiale Acciaio CrNiMo 1.4401 (EN 10088)
Produttore Geberit Sistema Mapress
Trovato: 6
6 da 6
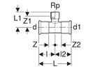
DN
L
l
L1
Rp
d1Ø
l2
Z
Z1
Z2