Geberit Mapress Super Size Tubo ricurvo acciaio inox 90°

Materiale Acciaio CrNiMo 1.4401 (EN 10088)
Produttore Geberit Sistema Mapress
3 da 3
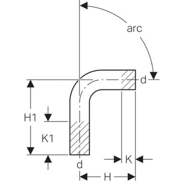
DN
H
H1
K1