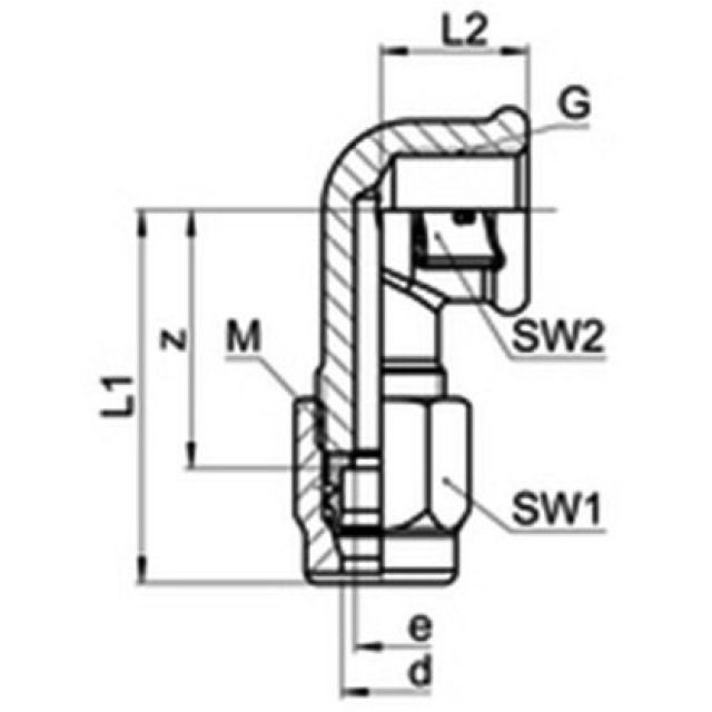
Serto-gomito di collegamento, SO 42521

Produttore SERTO
Trovato: 2
2 da 2
d1