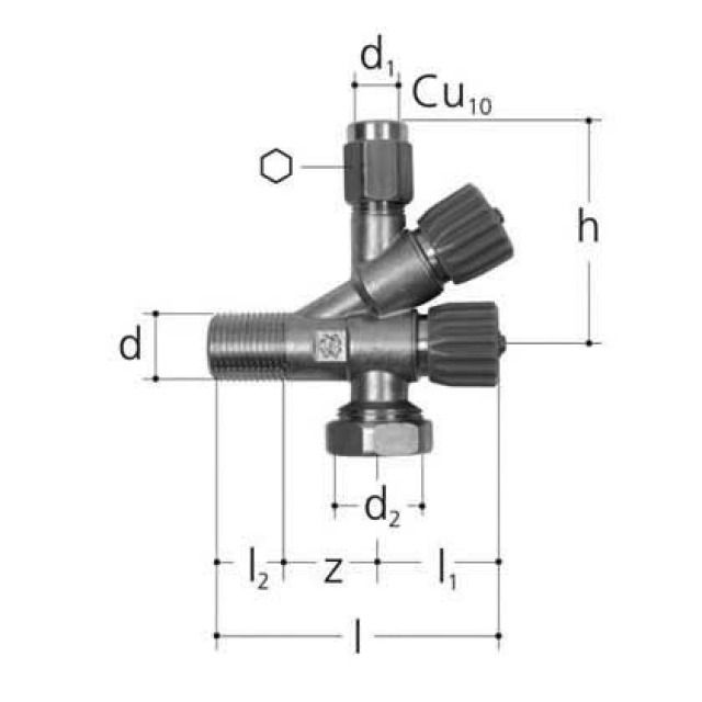
JRG, 8260, Rubinetto di regolaggio combinato

• Materiale: ottone
• Attaccho: raccordo serra-tubo
Produttore GF JRG
2 da 2
Dimensione
d
l2