Brida di transizione vonRoll FIX

Connessione di tubi e raccordi, fusioni / materiali diversi. Giacca a briglia in acciaio inox. Il manicotto di tenuta viene utilizzato per compensare le differenze di diametro esterno del tubo. Assorbe o isola eventuali urti e/o vibrazioni. A metà altezza è presente un anello di arresto di 4 mm di spessore. Ciò significa che non è necessario marcare la profondità di inserimento su entrambe le estremità del tubo. L'anello di arresto serve anche per l'isolamento acustico e impedisce la trasmissione del rumore strutturale.

  • Connessione di tubi e raccordi, acciaio / materiali diversi.

  • Involucro della briglia in acciaio inossidabile.

  • Acciaio su PE con anello di supporto

  • Campo di applicazione fino a 80°C
Produttore VonRoll
Trovato: 13
Voce n
Voce n
Produttore
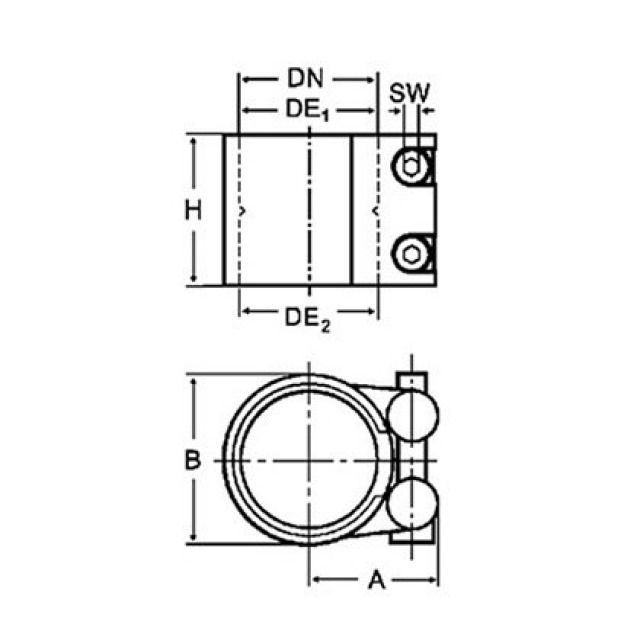
DN
H
mm
A
mm
B
mm
DE1
mm
DE2
mm
SW
mm
Osservazione
13 da 13
DN
H
A
B
DE1
DE2
SW