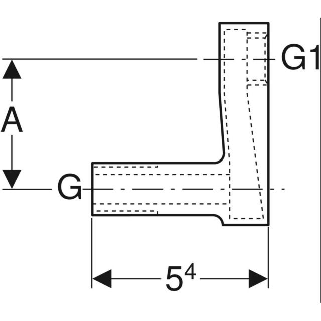
capezzolo eccentrico

Produttore Geberit
Trovato: 2
2 da 2
Lunghezza
Dimensione