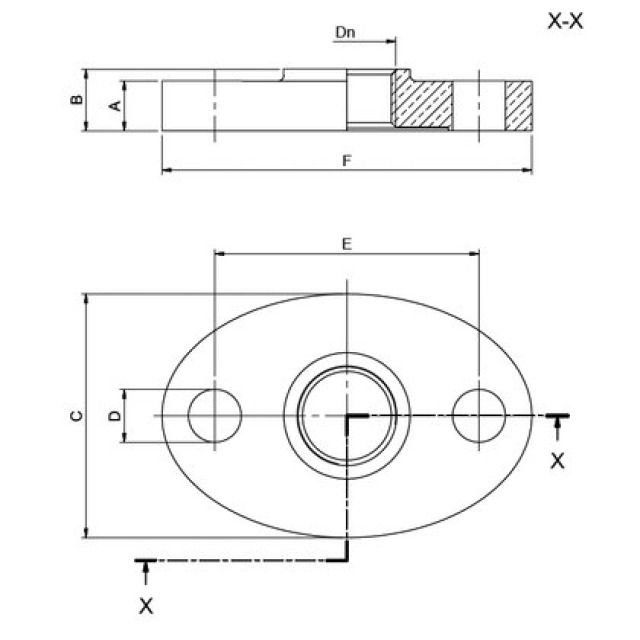
Flangia per contatore d'acqua, PN 16

Flangia per contatore d'acqua
Temperatura di esercizio da -20° a + 100°
Materiale: canna di fucile CC499K