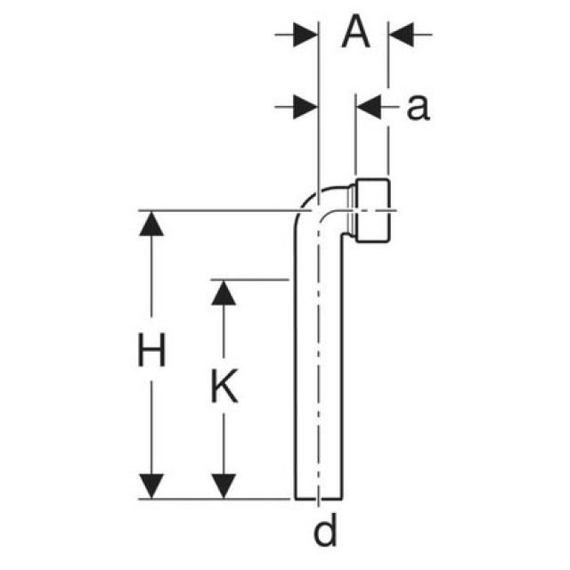
Geberit, Curva d'allacciamento 90° con terminale a premistoppa

Produttore Geberit
Trovato: 1
1 da 1