137094
461.006.00.1
GIS Perno a coda di rondine
Uso previsto
• Per il fissaggio di elementi d‘installazione Geberit GIS alla struttura portante
• Per la creazione di fissaggi supplementari su profili Geberit GIS
Proprietà
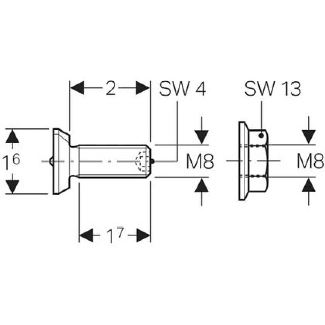
• Zincato
• Filetto M8
• Per il fissaggio di elementi d‘installazione Geberit GIS alla struttura portante
• Per la creazione di fissaggi supplementari su profili Geberit GIS
Proprietà
• Zincato
• Filetto M8
Produttore
Geberit
Sistema
GIS
Trovato:
1
Voce n
Voce n
Produttore