137137
461.431.00.1
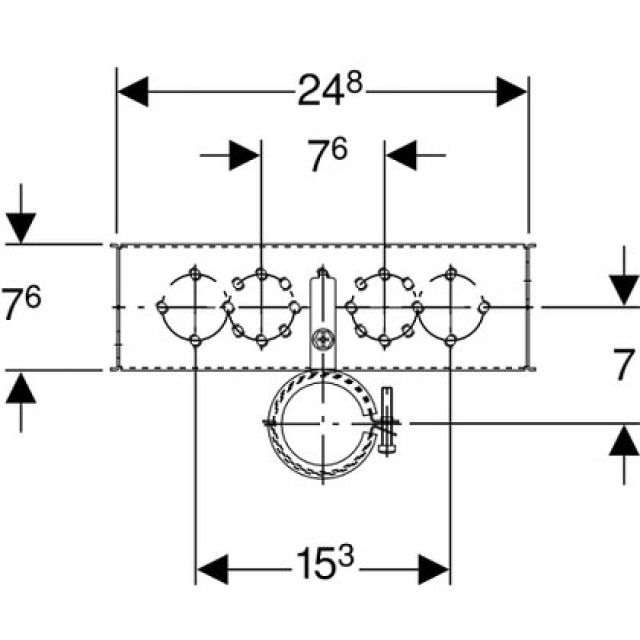
GIS Set lavabo per rubinetto monoforo
Uso previsto
• Per l‘installazione in strutture portanti Geberit GIS per pareti
applicate, pareti per vani tecnici o pareti libere
• Per il montaggio di lavabi
Proprietà
• Traversa di fissaggio zincata
• Traversa di fissaggio con due fissaggi rapidi
• Altezza regolabile in continuo nella struttura portante Geberit GIS
• Distanza dei fissaggi lavabo per standard 28 cm, adattabile alla
struttura portante Geberit GIS
• Fissaggio curva d‘uscita isolato contro il rumore
• Disco contro l‘umidità autocollante, rivestimento adatto alla piastrellatura
• Adattatore Geberit MeplaFix premontato
• Tappo di protezione per prova di pressione unica con acqua
fredda fino a un massimo di 15 bar / 1500 kPa
Materiale in dotazione
• 2 curve d‘allacciamento Rp 1/2“ / R 1/2“, adatte a MF
• 2 piastrine insonorizzanti
• 2 bussole isolanti
• 4 tappi di protezione e indicazioni
• 2 astine filettate M10
• 2 dischi di guarnizione
• 2 clip di fissaggio M10
• Materiale di fissaggio
• Per l‘installazione in strutture portanti Geberit GIS per pareti
applicate, pareti per vani tecnici o pareti libere
• Per il montaggio di lavabi
Proprietà
• Traversa di fissaggio zincata
• Traversa di fissaggio con due fissaggi rapidi
• Altezza regolabile in continuo nella struttura portante Geberit GIS
• Distanza dei fissaggi lavabo per standard 28 cm, adattabile alla
struttura portante Geberit GIS
• Fissaggio curva d‘uscita isolato contro il rumore
• Disco contro l‘umidità autocollante, rivestimento adatto alla piastrellatura
• Adattatore Geberit MeplaFix premontato
• Tappo di protezione per prova di pressione unica con acqua
fredda fino a un massimo di 15 bar / 1500 kPa
Materiale in dotazione
• 2 curve d‘allacciamento Rp 1/2“ / R 1/2“, adatte a MF
• 2 piastrine insonorizzanti
• 2 bussole isolanti
• 4 tappi di protezione e indicazioni
• 2 astine filettate M10
• 2 dischi di guarnizione
• 2 clip di fissaggio M10
• Materiale di fissaggio
Produttore
Geberit
Sistema
GIS
Trovato:
1
Voce n
Voce n
Produttore