Set raccordo a T Mapress acciaio-C per ritorno

Produttore Geberit Sistema Mapress
3 da 3
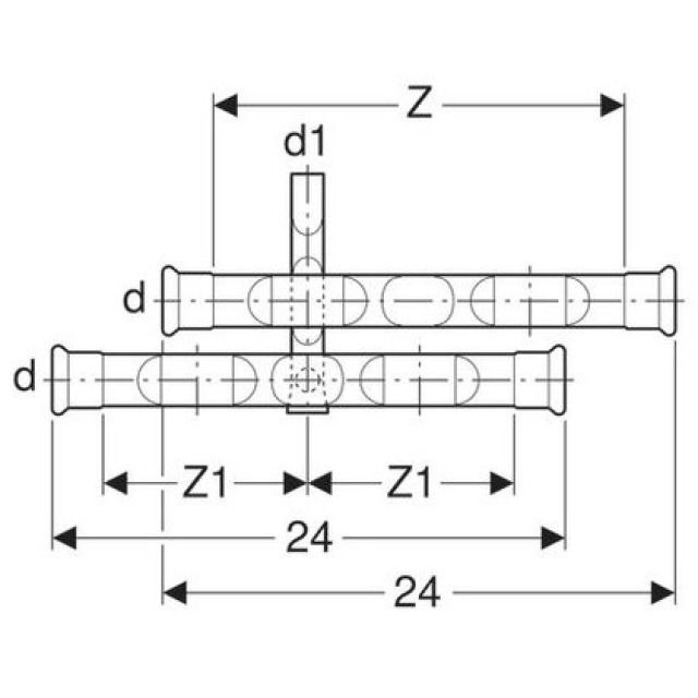
L
Z
Z1
L1