Tubo ricurvo 90° Mapress acciaio-C

Produttore Geberit Sistema Mapress
8 da 8
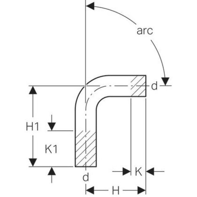
DN
H
H1
K
K1