Geberit Mapress-gas Tee con filettatura interna

Proprietà
• Indicatore ottico di pressatura
• Perdita compromessa, se non pressato
• Contrassegnato in giallo
• Guarnizione O-ring in HNBR giallo
• Attacco a pressare con tappo di protezione giallo
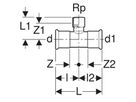
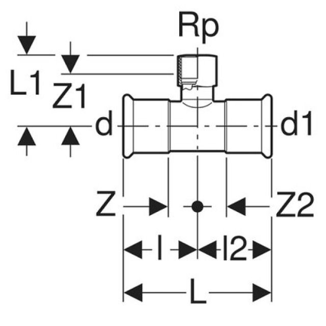
Dati tecnici
Materiale Acciaio CrNiMo 1.4401 (EN 10088)
Produttore Geberit Sistema Mapress
Trovato: 14
Voce n
Voce n
Produttore
mm
L
cm
l
cm
L1
cm
Rp
"
d1Ø
mm
l2
cm
Z
cm
Z1
cm
Z2
cm
14 da 14
L
l
L1
Rp
d1Ø
l2
Z
Z1
Z2