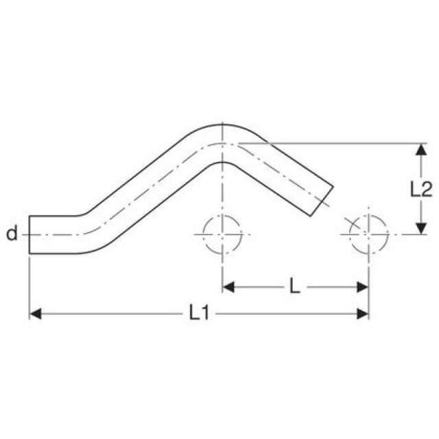
Scavalcatubi Mapress acciaio-C

Produttore Geberit Sistema Mapress