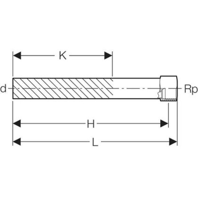
Geberit Mapress Pezzo adattatore acciaio inox con filetto femmina e terminale maschio lungo

Materiale Acciaio CrNiMo 1.4401 (EN 10088)
Produttore Geberit Sistema Mapress