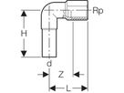
Geberit Mapress Gomito misto 90° acciaio inox con filetto femmina e terminale maschio

Materiale Acciaio CrNiMo 1.4401 (EN 10088)
Produttore Geberit Sistema Mapress
Trovato: 1
1 da 1