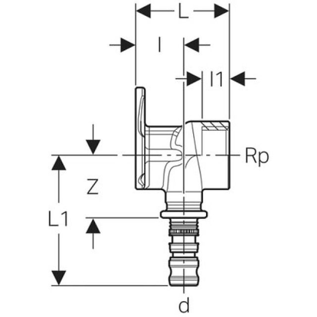
Mepla Curva d'allacciamento 90°

Proprietà
• Perdita compromessa, se non pressato
• Tre punti di fissaggio
• O-ring in EPDM
• Codolo da pressare con cappuccio di protezione trasparente
Dati tecnici
Materiale Bronzo rosso (CuSn5Zn5Pb2-C)
Produttore Geberit Sistema Mepla
Trovato: 8
Voce n
Voce n
Produttore
mm
L
cm
l
cm
l1
cm
L1
cm
Rp
"
Z
cm
8 da 8
L
l
l1
L1
Rp
Z