Geberit PE-HD, Braga 88.5°

Produttore Geberit Sistema PE
Trovato: 55
Voce n
Voce n
Produttore
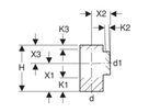
mm
H
cm
X1
cm
X2
cm
X3
cm
d1Ø
mm
K1
cm
K2
cm
K3
cm
55 da 55
H
X1
X2
X3
d1Ø
K1
K2
K3