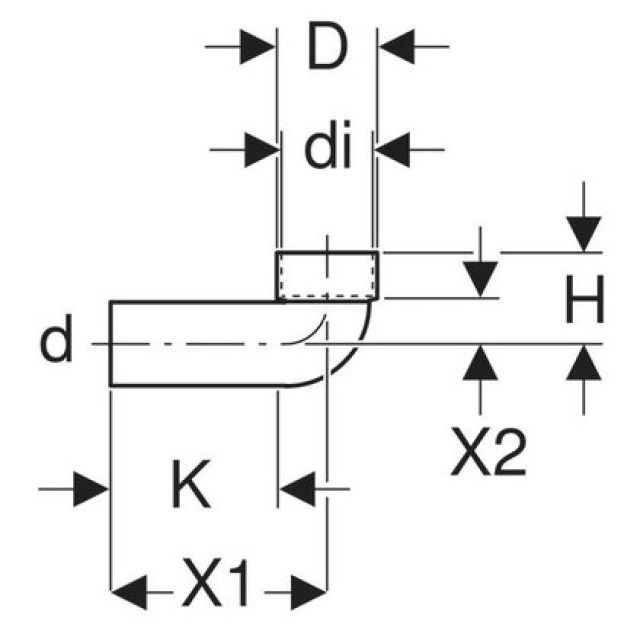
Geberit PE-HD, Curva d'allacciamento 88.5° per WC a pavimento

Uso previsto
• Per apparecchi sanitari con scarico verticale
Materiale in dotazione
• Tappo di protezione
Ordini aggiuntivi
• Manicotto
Produttore Geberit Sistema PE
Trovato: 1
1 da 1