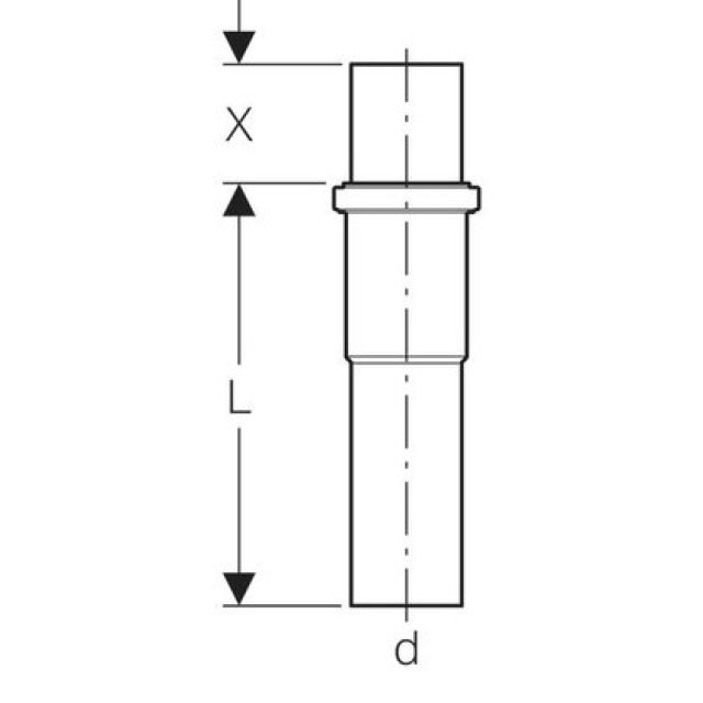
215619
367.701.16.1
110
42
5 - 15,5