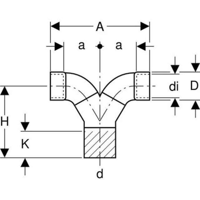
Geberit PE-HD, Curva d'allacciamento doppia 90°

Uso previsto
• Per lavabi, orinatoi e bidet
• Per morsetti
Materiale in dotazione
• 2 tappi di protezione
Produttore Geberit Sistema PE
Trovato: 1
1 da 1