Geberit PE-HD, Manchon long avec collerette double

Uso previsto
• Per il montaggio orizzontale e verticale
Proprietà
• Colletto doppio per fissare il braccialetto
• Con guarnizione in EPDM
Materiale in dotazione
• Tappo di protezione
Produttore Geberit Sistema PE
Trovato: 13
Voce n
Voce n
Produttore
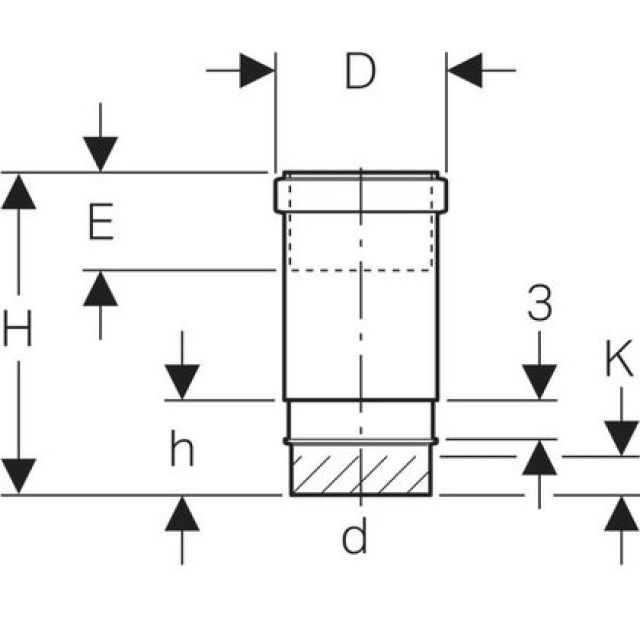
mm
D
cm
H
cm
h
cm
E
cm
I
cm
K
13 da 13
D
H
h
E
I
K