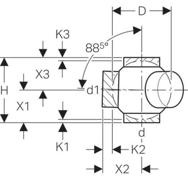
Geberit Pe-HD, Braga a sfera 88.5° tripla, allacciamenti a 135° disassati

Produttore Geberit Sistema PE