Geberit PE, Riduzione centrica, corta

Produttore Geberit Sistema PE
Trovato: 28
Voce n
Voce n
Produttore
mm
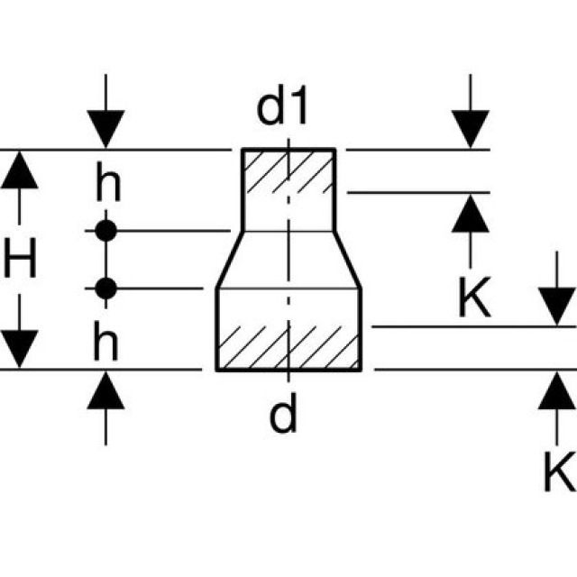
d1
mm
H
cm
h
cm
K
cm
28 da 28
d1
H
h