Geberit PE-HD, Manicotto d'innesto

Proprietà
• Con guarnizione tonda in EPDM
Materiale in dotazione
• Tappo di protezione
Produttore Geberit Sistema PE
9 da 9
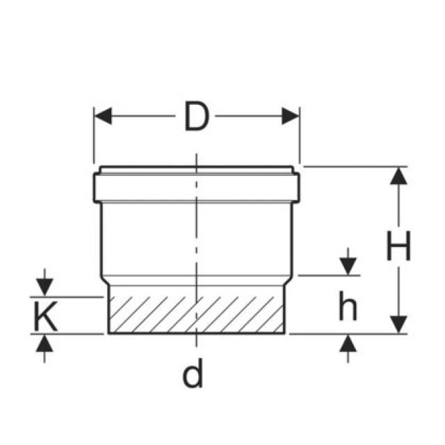
D
H
h