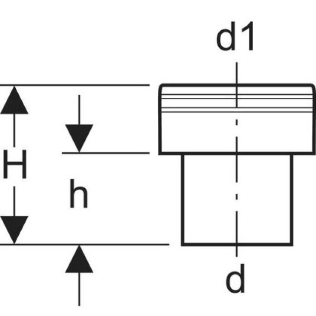
Geberit PE-HD, Collegamento per tubi in grés

Uso previsto
• Per l‘inserimento in manicotto in grés
• Per il collegamento di estremità del tubo con giunti in grés
• Per il collegamento di guarnizioni e bride in grés
• Per l‘impiego all‘interno degli edifici
Produttore Geberit Sistema PE